0 概述
本項目為高科榮境品苑A2地塊遠程預付費電能管理系統。根據預付費售電的要求,需要對高科榮境商業廣場的配電箱內商鋪配電回路進行預付費電能管理,以保證先收費后用電。
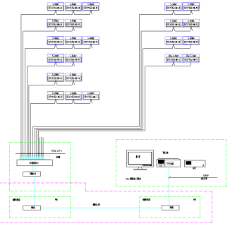
1 系統結構描述
本監控系統主要實現高科榮境品苑商鋪進行收費管理和能效考核;監控范圍為樓層239臺DTSY1352-NK,分10條總線,現場電表通過屏蔽雙絞線和設置于采集箱的串口服務器進行通訊,將數據上傳至預付費系統后臺,實現總線上儀表與監控主機的數據連通,完成能效管理和收費管理的系統功能。
本監控系統采用分層分布式結構,即站控層,通訊層與間隔層;
如圖(1)所示:

圖(1)網絡拓撲圖
間隔設備層主要為:預付費多功能電表。這些裝置分別對應相應的一次設備安裝在電氣柜內,這些裝置均采用RS485通訊接口,通過現場MODBUS總線組網通訊,實現數據現場采集。
網絡通訊層主要為:串口服務器,其主要功能為把分散在現場采集裝置集中采集并傳至站控層,完成現場層和站控層之間的數據交互。
站控管理層:設有高性能工業計算機、顯示器、UPS電源、打印機等設備。監控系統安裝在計算機上,集中采集顯示現場設備運行狀況,以人機交互的形式顯示給用戶。
以上網絡儀表均采用RS485接口和MODBUS-
RTU通訊協議,RS485采用屏蔽線傳輸,一般都采用二根連線,接線簡單方便;通訊接口是半雙工通信即通信的雙方都可以接收、發送數據但是在同一時刻只能發送或接收數據,數據傳輸速率為10Mbps。
RS485接口是采用平衡驅動器和差分接收器的組合,抗噪聲干擾能力增強,總線上允許連接多達30個設備,傳輸距離為1.2km。
2 遠程預付費電能管理系統主要功能
整個系統軟件設計分為三個大塊,分別是集中抄表服務系統,遠程預付費電能管理系統,以及用戶查詢系統。
集中抄表服務程序常年運行,不間斷定時對所有表進行遠程抄表;遠程預付費系統包含所有開戶、售電、遙控及報表功能。主要特點如下:
a. 快速配置,即裝即用:將電表和通訊管理機配置導入系統就可以使用;
b. 遠程集中抄表:免去人工抄表,電表狀態實時性可到3分鐘以內;
c. 支持單獨計價、多費率、階梯電價:可對每塊電表單獨設置電價、費率和階梯電價;
d. 遠程售電:財務集中管理,電量實時下發,并比對充值次數防止作弊;
e. 數據安全:網絡數據傳輸采用金融級的3DES加密算法,防止數據作弊竊電;
f. 遠程控制:可對任意一塊電表執行遠程拉閘或保電等一系列遠程控制操作,方便管理;
g. 能耗分析及查詢:用戶和管理員都可查詢預付費表或各類接入的計量儀表每天的用能狀況;
傳統的IC卡預付費售電管理系統實現了先交費后用電的管理模式,但由于抄收電表數據依賴于購電卡,用戶用電數據滯后于發生時間,不僅需要人工抄表,也無法有效進行用電管理、監控和實時控制。
利用遠程預付費電能管理系統,無需IC卡,可以實現計算機遠程集中抄表、實時監控、遠程充值和遠程控制,物管部門即可完成整個抄表、收費、控制和核查工作,實現高度信息化和自動化,大大提高用電營銷管理效率和水平,節約人力物力的同時,也提高了經濟效益,同時還具有防信息泄露防竊電的安全功能。
3 案例分析
高科榮境品苑A2地塊遠程預付費電能管理系統采用DTSY1352-NK系列預付費計量儀表,該儀表主要測量所有常規電力參數,如:三相電壓、電流、有功功率、功率因數、頻率、有功電度、剩余電量、剩余金額。
現場實現了以下功能:
1.集中抄表服務系統
集中抄表服務程序包含三大模塊,除了常年運行的定時對所有儀表進行集中遠程抄表以外,還集成了報警短信發送服務,能將電費金額預警和欠費預警自動生成手機短信自發送給對應的商鋪用戶,該功能需要與硬件短信貓配合使用。
系統默認半小時對所有表進行一次遠程集中抄表,時間間隔支持個性化配置。
2.遠程預付費電能管理系統
本系統分為五大模塊,分別是操作員登陸模塊、系統配置模塊、用戶(商鋪)管理模塊、售電管理模塊、報表中心模塊,系統大致運行和操作流程如下:

本系統所有的報表及記錄查詢,都支持excel格式導出的功能。
a) 登陸管理:管理操作員賬戶及權限分配,查看系統日志等功能;
b) 系統設置:對建筑、儀表及默認參數進行配置;
c) 用戶管理:對商鋪用戶執行開戶、銷戶、遠程分合閘、抄表導出及記錄查詢等操作;
d) 售電管理:對已開戶的表進行遠程售電、退電、沖正及記錄查詢等操作;
e) 報表中心:提供售電財務報表、用能報表、報警報表等查詢。
系統針對商鋪開戶不僅支持一戶一表,也支持一戶掛多表的需要;同時支持和解決了項目改造后新老表切換時,老表金額轉入的問題;支持峰谷電價,支持一表一電價;可對單表設置功率過載的閾值,也支持設置單表金額報警的兩級閾值。
批量遠程操作場景中,系統提供了多項功能,針對開戶、報警1、報警2、欠費、未開戶、失聯狀態都有不同的顏色顯示;并且支持遠程對儀表進行遙控,遙控的命令類型如下:
1.電價下發;2.設置下發(下發報警金額閾值和過載功率閾值);3.保電(強制儀表合閘);4.恢復預付費(欠費自動跳閘的模式);5.拉閘(強制斷電);6.抄表導出(導出當前所有表狀態為EXCEL)
系統還將電能計量儀表接入系統,進行遠程集中抄表后,提供了輔助的能耗查詢報表,為能耗分析、用能比對和安全用電提供強有力的依據。該功能用于替代部分能耗分析和管理系統的功能
系統還提供了多個報表以供查詢,分別是日/月/年財務銷售統計報表、失聯表/通訊管理機查詢報表、能耗查詢報表、實時報警/歷史報警查詢報表,支持導出。以下是財務報表和預付費表日用能查詢報表:
4 結束語
隨著社會生產的進步,在商業廣場用電量不斷增長、對供電質量要求不斷提高的同時,也存在大量拖欠電費的情況,極大的加重了商業廣場的經營風險。為了使商業廣場提高電費收繳率,規避惡意欠費造成的經濟損失,我公司特提供成套的預付費解決方案,系統不但可以預收電費,實現“先交錢、后用電”,又可針對用戶有選擇性的進行限電。現場通過遠程預付費的系統,實現了先交費后用電,可以避免商場電費墊資問題,從而緩解了商業廣場運營的資金壓力,防止了私接偷電的問題。
參照標準:
ISO/IEC11801 《國際綜合布線標準》
GB/50198 《監控系統工程技術規范》
GB50052-2009 《供配電系統設計規范》
GB50054-2011 《低壓配電設計規范》
IEC 61587 《電子設備機械結構系列》
DL/T448-2000 《電能計量裝置技術管理規程》
DL/T 698.1-2009 《第1部分:總則》
DL/T 698.2-2010 《第2部分:主站技術規范》
DL/T 698.31-2010 《第3.1部分:電能信息采集終端技術規范-通用要求》
DL/T/814-2002 《配電自動化系統功能規范》
DL/T5137-2001 《電測量及電能計量裝置設計技術規程》
GB2887 《計算站場地技術條件》
GB/T18460.3 《IC卡預付費售電系統 第3部分: 預付費電度表》
作者簡介:
戴金花,女,本科,江蘇安科瑞電器制造有限公司,主要研究方向為智能建筑供配電監控系統。Email:daijinhua@email.acrel.cn QQ :2881068604 手機:18860995103 電話:0510-86179967 傳真:0510-86179975 網址:http://www.jsacrel.cn/